产品列表PRODUCTS LIST
在位于江苏丹阳市的±200千伏扬州—镇江直流输电二期工程(以下简称“扬镇直流二期")配套工程220千伏陵口换流站—茅山线路工程(西线)施工现场,江苏省送变电有限公司施工人员同步开展组塔和架线作业。高空和地面人员紧密配合,现场一片繁忙景象。
扬镇直流二期起于淮安市淮安区,止于镇江丹阳市,共跨越各类交通道路90处、输电线路通道68处。陵口换流站是该工程重要节点,是盐城、淮安、徐州等苏北地区新能源电力的受端站。陵口换流站—茅山线路工程(西线)新建线路20.82千米、铁塔60基,计划于2026年2月建成投运,届时将显著提升区域电网供电可靠性,为镇江东部地区经济社会发展提供稳定电力保障。近期,该工程顺利完成跨越铁路架线施工。
此次作业塔段同时跨越沪宁城际铁路和京沪铁路。该塔段采用同塔四回线路设计,与铁路夹角为86度,跨越档距276米,在同一档内跨越两条铁路,施工难度较大。
针对两条铁路的不同运行特点,施工项目部采取了差异化防护措施,对京沪铁路及其南侧10千伏贯通线实施全封网防护,对沪宁城际铁路则采用绝缘杆支撑保护,在保障铁路设施安全的同时开展跨越施工。
为确保施工安全高效开展,江苏送变电公司施工项目部决定采用抱杆组成跨越门型构架,随后在跨越架之间开展封网施工。这种构架抗冲击能力强、稳定性高,可有效降低施工带来的铁路设备受损与线路跳闸风险。常规的塔对塔封网作业档距276米,而门型构架封网作业档距仅120米,可显著提升作业效率。
开工前,施工项目部在跨越点附近设置两套抱杆门型构架,单套构架由4根截面积为550平方毫米、长26米的竖向钢管抱杆和1根截面积为275平方毫米、长24米的横向钢管抱杆组成。封网荷载主要由竖向抱杆承担,有助于保障防护网的稳定性、承载能力,提升了封网作业安全水平。

一、产品用途(LYYB-V电力体制改革“氧化锌避雷器分析仪"工作原理及结构)
是用于检测氧化锌避雷器电气性能的专用仪器,该仪器适用于各种电压等级的氧化锌避雷器的带电或停电检测,从而及时发现设备内部绝缘受潮及阀片老化等危险缺陷。
操作简单、使用方便,测量全过程由微机控制,可测量氧化锌避雷器的全电流、阻性电流及其谐波、工频参考电压及其谐波、有功功率和相位差,大屏幕可显示电压和电流的真实波形。仪器运用数字波形分析技术,采用谐波分析和数字滤波等软件抗干扰方法使测量结果准确、稳定,可准确分析出基波和3~7次谐波的含量,并能克服相间干扰影响,正确测量边相避雷器的阻性电流。
二、产品特点(LYYB-V电力体制改革“氧化锌避雷器分析仪"工作原理及结构)
标准配置不带高能锂离子电池,可选配内置。
5.7寸320×240液晶显示器,高速热敏打印机;图文显示,界面直观,便于现场人员操作和使用。
适用于避雷器带电、停电或试验室等场所使用。
电流、电压传感器全部隔离,安全可靠。分三次测试A、B、C三相氧化锌避雷器可保存为一组试验数据。
可连续测试,显示电压电流曲线,并可快速打印数据和曲线。
内部配置存储器,可掉电存储200组试验数据。
选配RS232通讯接口,可通过上位机进行试验,导出试验数据。
可进行抗干扰计算,补偿A、C两相电流受B相偏差。
高速的采样频率和先进的数字信号处理技术,抗干扰性能强,测量结果精度很高。
选配置内带高能锂离子电池,特别适合无电源场合。仪器内部只带弱电,电压不超过12V,充电状态亦可工作。
采用防尘、防水、防腐工程塑料密封箱,体积小,重量轻,便于携带。
三、技术指标(LYYB-V电力体制改革“氧化锌避雷器分析仪"工作原理及结构)
工作电源:AC220V/50Hz;若选配内带高能锂离子电池,内部电池供电,充电时间>3小时,连续工作时间>8小时
测量范围:
泄漏电流:0-10mA(可扩展);
电压:30-100V(可扩展)。
测量准确度:
电流:全电流>100μA,±5%读数±1个字;
电压:基准电压信号>30V时,±2%读数±1个字;
测量参数:
泄漏电流全电流波形、基波有效值、峰值。
泄漏电流阻性分量基波有效值及3、5、7次有效值。
泄漏电流阻性分量峰值:正峰值Ir+ 负峰值Ir-。
容性电流基波,全电压、全电流相角差。
电压有效值。
避雷器功耗。
电压基准信号取样方式:20米(可扩展)
仪器尺寸: 主机360mm×260mm×140mm
仪器重量: 主机5.0kg
四、面板介绍(LYYB-V电力体制改革“氧化锌避雷器分析仪"工作原理及结构)

PT信号航插:接PT二次电压信号。
氧化锌避雷器泄漏电流按有效值分为0-2mA/2-10mA两个档。
电流航插:接氧化锌避雷器泄漏电流信号。
接地端:接地端必须接地,泄漏电流通过接地端流向大地。
打印机:打印机是热敏打印机,当试验完成后按键盘上的“打印"按钮打印试验结果。
RS232:RS232是与计算机相连的串口通信接口,是用户选配接口。
LCD对比度:因为液晶显示屏在温度和光线有所不同时稍有些变化,可能过LCD对比度调节背光到适合亮度。
液晶: 320X240像素点阵白色背光液晶,在阳光和黑暗环境下都十分清楚。
键盘:由上、下、左、右、保存、打印、确定、退出8个键组成,是用户和设备交互的终端。
电源开关:一般接AC220V外部电源,并带保险切断\闭合外部电源;若选配内带高能锂离子电池,切断\闭合供电电池电源。
充电端:若选配内带高能锂离子电池,仪器带此端子,接入充电器充电。
五、使用方法(LYYB-V电力体制改革“氧化锌避雷器分析仪"工作原理及结构)
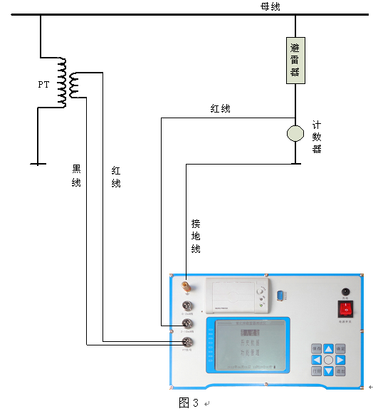
1.带电测试接线方法

带电接线方法如图3所示,请先将仪器可靠地线,再接电流测试线(单根红线接计数器上端),*后接电压测试线(二芯线红线接氧化锌避雷器对应的PT的相别,黑线接N相)。接电流测试线的方法,首先根据电流大小,接电流测试线到0-2mA或2-10mA量程档上,再将另一端接到计数器的上端。接电压测试线的方法,也是先接仪器这一端,再去接PT端,一定要小心谨慎接线以避免PT二次或试验电压短路。
2.实验室测试接线方法

在变压器停电状态下,实验室接线方法如图5所示,请先将仪器可靠地线,再接电流测试线(单根红线接氧化锌避雷器下端),*后接电压测试线(二芯线的红线、黑线接变压器的测量绕组,注意方向)。接电流测试线的方法,首先根据电流大小,接电流测试线到主机端0-2mA或2-10mA量程档上,再将另一端接氧化锌避雷器下端。接电压测试线的方法,也是先接仪器这一端再去接变压器测试绕组。检查正确接线后,慢慢升压到氧化锌避雷器的额定电压,然后操作仪器开始试验。
3. 软件使用
(1)开机使用
开机后显示主界面,如图7:

图中显示“进入试验"、“历史数据",“功能管理"三个菜单项,及日历时钟,若选配内带高能锂离子电池将显示电池状态。
根据键盘的示图8,按上↑、下↓、左←,右→可以切换“进入试验"或“历史数据"或“功能管理",选中“进入试验"按“确定"键后进入试验界面1或试验界面2,如图9或如图10:



按“↑"键可以切换试验界面1和试验界面2,试验界面1显示试验波形和关键试验数据,试验界面2不显示试验波形而显示全部试验数据。
试验数据显示三相电压、功耗、全电流有效值、相角差、阻性电流有效值、容性电流有效值、全电流峰值、阻性电流正峰、阻性电流负峰、阻性电流三次谐波有效值、阻性电流五次谐波有效值、阻性电流七次谐波有效值。
试验波形按幅度从大到小显示电压波形、全电流波形、阻性电流波形。
试验前,首先要选中“设置"按“确定"键进入参数设置界面,下一节中具体陈述。
按“↓"键可以选择A相或B相或C相,将试验数据显示在相应的相别上。
选中“开始"按“确定"键将进行试验,不断重复采集、计算、显示过程,一个周期3秒钟左右,如选择了抗干扰计算,时间稍长一点。一段时间稳定后,可以按“退出"键退出试验,显示为*后一次的试验数据。
按“打印"键,可以直接打印试验数据和波形。
按“保存"键,可以保存试验数据到存储器中。注意,开机状态下多次试验保存总为一个试验数据;如试验前打开一个历史试验数据,试验后保存数据只会刷新此数据。如试验前没有打开历史数据,试验后保存数据将会增加一个历史数据。
如果想增加一个新的历史数据,必须按要求在试验前,先关机再连线,然后进行试验保存数据。如果想刷新一个历史数据,必须按要求在试验前,先关机再连线,打开此历史数据,然后进行试验保存数据。
(2)设置参数
在试验界面,选中“设置"按“确定"键进入参数设置界面,如图11:

电流量程:根据全电流大小选择不同的电流量程,要求面板上接线和这里是一致的。
PT变比:带电测试时要求设置PT变比,实验室测试时要求设置为变压器的测量变比。
抗干扰计算:选择此项时,三相计算时补偿A相、C相泄漏电流受到B相电压的影响。
显示方式:试验界面显示为试验界面1或试验界面2。
(3)历史数据管理
在主界面,选中“历史数据"按“确定"键进入历史数据管理界面,如图12:

历史数据管理界面显示历史数据的列表,序号,测试时间。信息行中显示历史数据的条数、每页9条、当前选择页、当前选择记录。按“←"将清理当前及以前的历史数据。按“↑"将上选前一条历史数据,按“↓"将下选后一条历史数据。按“→"键打开当前的历史数据,显示在试验界面,可以进行打印或重新做试验刷新此历史数据。
(4)功能管理
在主界面,选中“功能管理"按“确定"键进入功能管理界面,如图13:

功能管理界面显示“系统日历时钟调整"、“试验操作注意事项"两个菜单。进入“系统日历时钟调整",可以设置当前的日历时钟,如图14。进入“试验操作注意事项",可以看到部分试验操作注意事项,如图15。


4.上位机软件使用
仪器的标准配置不提供RS232接口和上位机软件。根据客户的申请,公司可以提供简单的上位机软件和通讯协议。上位机操作方法略。

由于施工区域距500千伏带电体较近,叠加高空作业、大型机械操作、多次停电等因素,安全管控成为工程重中之重。汕尾供电局梳理制作了可视化风险图张贴于施工现场,确保施工人员“人人知风险、懂管控"。
每日开工前,施工人员与运行人员会共同召开站班会,明确当天作业区域、风险点及管控措施,对于大型机械作业,实行“现场安全员、监理人员、施工管理人员、变电运行人员、项目负责人"五方到位管控,同时通过设置限位标志、警戒线及专人值守,严控吊机作业范围,防止触碰带电设备。
“我们还借鉴了优秀的站内停电施工案例——鹅凰工程的经验,制定了详细的停电管控工作表,明确各环节责任人,并邀请外部专家指导完善施工方案。"苏文哲表示。
当前,工程正按计划推进。随着陆丰核电项目逐步投产,此次改造将为清洁电力外送打通“大动脉"。
上海来扬电气转载其他网站内容,出于传递更多信息而非盈利之目的,同时并不代表赞成其观点或证实其描述,内容仅供参考。版权归原作者所有,若有侵权,请联系我们删除。